Вентилатор на радиатора на Фокус 2002г.-не работи?
- 
				Ради-1
 - потребител

 - Мнения: 825
 - Регистриран: 20 юни 2013, 18:06
 - Модел на автомобила: Ford Focus 1.6 '00 lpg
 - Местоположение: Sofia
 - Status: Извън линия
 
Вентилатор на радиатора на Фокус 2002г.-не работи?
Здравейте, пиша в темата, защото мисля, че не ми работи перката на радиатора от дясната страна(гледащата към акумулатора) на фокус 1.6 2000. Онзи ден като беше топло пуснах климатика, изредих всички степени на топло и студено, но не се включи. Преди време работеше при пуснат климатик, макар и лятото. След това се опита да прегрее в едно задръстване и отидох в сервиз. Майстора каза, че перките не работели, но ги оправил(мисля, че не е бил запознат с темата за отклонението на стрелката на температурата при тези фокуси ) а и аз не му висях на главата
Оттогава климатик и парно работят на всички степени, но дясната перка не се включва. Веднъж когато температурата по тест меню стигна 108 спрях да проверя и само лявата работеше(тази срещу термостата). До момента лявата работи винаги с различна скорост според натоварването. Бушоните са наред
Чак тези дни погледнах какви ги е свършил и видях, че един от кабелите е прекъснат.
Преди време отново посетих майстора да ги погледне и каза че перките работят, но не ми демонстрира.
Направо на въпроса – възможно ли е да е прекъсната защото не е било възможно да се оправи. Ако някой е ремонтирал такива вентилатори, нека сподели мнението си

			
									
									
						Оттогава климатик и парно работят на всички степени, но дясната перка не се включва. Веднъж когато температурата по тест меню стигна 108 спрях да проверя и само лявата работеше(тази срещу термостата). До момента лявата работи винаги с различна скорост според натоварването. Бушоните са наред
Чак тези дни погледнах какви ги е свършил и видях, че един от кабелите е прекъснат.
Преди време отново посетих майстора да ги погледне и каза че перките работят, но не ми демонстрира.
Направо на въпроса – възможно ли е да е прекъсната защото не е било възможно да се оправи. Ако някой е ремонтирал такива вентилатори, нека сподели мнението си

- ЯЛТА
 - Потребител

 - Мнения: 10865
 - Регистриран: 22 юли 2010, 14:52
 - Модел на автомобила: FORD MONDEO 1.8 TD, 90 hp., GHIA, ENDURA D, SW, MK-2, 2000 year.
***********************
Ford Puma, 1.6, 2002 year, 103 hp.
http://clubford.org/forum/viewtopic.php ... __________
АМБИЦИЯТА Е ПОСЛЕДНОТО УБЕЖИЩЕ НА НЕУДАЧНИКА. О.Уайлд - Местоположение: СОФИЯ, и чат пат на луната.
 - Контакти:
 - Status: Извън линия
 
Re: Вентилатор на парното на Фокус 2002г.-не работи?
Пусни и директно ток на клемата, да провериш дали ще тръгне. Или виж на прекъснатия кабел дали има напрежение.
Може и датчик някой да е дал фира, може и майстора да си е правил някакви упражнения.
			
									
									Може и датчик някой да е дал фира, може и майстора да си е правил някакви упражнения.
Мисли ГЛОБАЛНО  действай  ЛОКАЛНО
						- 
				Ради-1
 - потребител

 - Мнения: 825
 - Регистриран: 20 юни 2013, 18:06
 - Модел на автомобила: Ford Focus 1.6 '00 lpg
 - Местоположение: Sofia
 - Status: Извън линия
 
Re: Вентилатор на парното на Фокус 2002г.-не работи?
Как да подам ток от клемата – гледах в един сервиз как пробваха крушка дали ще светне с един кабел, увит около клемата, но за този кабел не знам. Иначе с мултиметър ще премеря. Намерих как изглежда датчика и ще видя дали го имам

Майстора е познат и ще е тъпо ако перката е изгоряла и е побългарил колкото да работи другата, защото при такова положение щях да си взема други перки
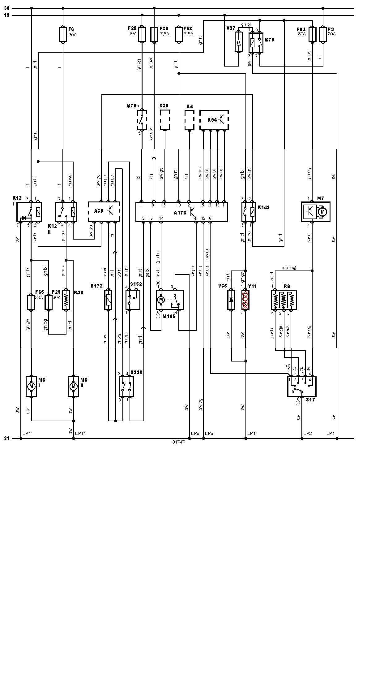
Ъпдейт: Намерих снимка в интернет на окабеляването на перките и изглежда, че прерязания кабел отговаря на този, излизащ от неработещата перка.

Търсех и диаграма, но няма с хубаво качество.
Ако някой е ремонтирал такива перки нека сподели прав ли съм
			
									
									
						
Майстора е познат и ще е тъпо ако перката е изгоряла и е побългарил колкото да работи другата, защото при такова положение щях да си взема други перки
Ъпдейт: Намерих снимка в интернет на окабеляването на перките и изглежда, че прерязания кабел отговаря на този, излизащ от неработещата перка.

Търсех и диаграма, но няма с хубаво качество.
Ако някой е ремонтирал такива перки нека сподели прав ли съм
- deathstorm
 - потребител

 - Мнения: 564
 - Регистриран: 11 дек 2007, 17:57
 - Модел на автомобила: Ford Escort 1.6 16v 93г. (Zetec L1E, DOHC на главата)  (retired)
Ford Focus МК2 1.6 16v TI VCT 06г. 115 Hp + LPG Fobos 4
Ford Focus MK2.5 09г. Duratec HE 2.0 16v 145 Hp + LPG BRC Plug & Drive - Местоположение: Хасково
 - Status: Извън линия
 
Re: Вентилатор на парното на Фокус 2002г.-не работи?
Ето прилагам ти диаграма с добро качество. Общо взето схемата е 2 релета (К12 I и II на схемата) управлявани от ECU-то на колата (A35 на схемата). Различни комбинации на активиране на релетата и резистор (R46) осигуравят различни скорости. Това което трябва да направиш е да подадеш директно на проблемната перка захранване и да видиш дали ще работи. Ориентирай се по цветовете на кабелите от схемата и подай захранване директно от акумулатора. 
			
									
									
						- 
				Ради-1
 - потребител

 - Мнения: 825
 - Регистриран: 20 юни 2013, 18:06
 - Модел на автомобила: Ford Focus 1.6 '00 lpg
 - Местоположение: Sofia
 - Status: Извън линия
 
Re: Вентилатор на радиатора на Фокус 2002г.-не работи?
Благодаря за диаграмата, ще я разгледам внимателно
			
									
									
						- 
				aspasia
 - потребител

 - Мнения: 1486
 - Регистриран: 30 ное 2010, 19:10
 - Модел на автомобила: форд фокус-2000 1.6 16v
 - Местоположение: София
 - Status: Извън линия
 
Re: Вентилатор на радиатора на Фокус 2002г.-не работи?
От страната на акумулатора не се ли води лявата перка демек за първа скорост ако извадиш датчика за температурата който е на главата между свещите и като запалиш двигателя би трябвало да завъртят и двата вентилатора някъде така бях чел. Ако  има ток до него по вероятно четките да заминали някъде бях ги гледал как изглеждат от пред са леко заострени.
			
									
									
						- 
				Ради-1
 - потребител

 - Мнения: 825
 - Регистриран: 20 юни 2013, 18:06
 - Модел на автомобила: Ford Focus 1.6 '00 lpg
 - Местоположение: Sofia
 - Status: Извън линия
 
Re: Вентилатор на радиатора на Фокус 2002г.-не работи?
Зависи от коя страна гледаш. Като казвам лява имам предвид когато застанеш пред двигателя. Не знам дали съм прав.
Но е по-вероятно защото именно тази перка се включва на около 103 и когато спадне температурата спира. Освен това тя е срещу термостата.
Възможно е четките да са заминали, а датчика между свещите не мога да го сваля, защото кабелът му не излиза и не искам да го скъсам, като го дърпам
Sent from my Redmi Note 4 using Tapatalk
			
									
									
						Но е по-вероятно защото именно тази перка се включва на около 103 и когато спадне температурата спира. Освен това тя е срещу термостата.
Възможно е четките да са заминали, а датчика между свещите не мога да го сваля, защото кабелът му не излиза и не искам да го скъсам, като го дърпам
Sent from my Redmi Note 4 using Tapatalk
- 
				aspasia
 - потребител

 - Мнения: 1486
 - Регистриран: 30 ное 2010, 19:10
 - Модел на автомобила: форд фокус-2000 1.6 16v
 - Местоположение: София
 - Status: Извън линия
 
Re: Вентилатор на радиатора на Фокус 2002г.-не работи?
Значи не ти работи първа скорост на вентилатора виж дали първо стига захранване до терморезистора  ако има значи може и термо препазиттеля да е дал фира това може да го провериш като го шунтираш ако тръгне значи в него е проблема  така изглежда управлението за първа скорост държи се на два винта между двете перки.

			
									
									
						- 
				Ради-1
 - потребител

 - Мнения: 825
 - Регистриран: 20 юни 2013, 18:06
 - Модел на автомобила: Ford Focus 1.6 '00 lpg
 - Местоположение: Sofia
 - Status: Извън линия
 
Re: Вентилатор на радиатора на Фокус 2002г.-не работи?
Благодаря ти, ще проверя терморезистора. Значи според теб дясната перка, гледана пред двигателя е първа степен, а лявата втора? И когато първа не работи, перката не се включва при достигане на определените градуси. Когато температурата обаче се увеличи, втората тръгва. 
 
А самото пускане на перките зависи от еку-то

Sent from my Redmi Note 4 using Tapatalk
			
									
									
						А самото пускане на перките зависи от еку-то

Sent from my Redmi Note 4 using Tapatalk
- 
				aspasia
 - потребител

 - Мнения: 1486
 - Регистриран: 30 ное 2010, 19:10
 - Модел на автомобила: форд фокус-2000 1.6 16v
 - Местоположение: София
 - Status: Извън линия
 
Re: Вентилатор на радиатора на Фокус 2002г.-не работи?
Така е и при мен като пусна климатика се пуска първата скорост  а при по висока температура се включва и втората скорост. Направи един шунт на термопредпазителя и виж дали вентилатора ще тръгне ако тръгне термопредпазителя се смена мисля че беше 15А 200-250C. За да включи климатика и да направиш проба ще трябва да изчакаш темепературите да са положителни поне над 5С. Виж и буксата  на терморезистора как е често нагаря и не дава контакт.

			
									
									
						- 
				Ради-1
 - потребител

 - Мнения: 825
 - Регистриран: 20 юни 2013, 18:06
 - Модел на автомобила: Ford Focus 1.6 '00 lpg
 - Местоположение: Sofia
 - Status: Извън линия
 
Re: Вентилатор на радиатора на Фокус 2002г.-не работи?
Миналата седмица пусках климатика, но перката не тръгна. Ще проверя резистора, макар, че с този отрязан кабел е почти ясно къде е проблема 
Sent from my Redmi Note 4 using Tapatalk
			
									
									
						Sent from my Redmi Note 4 using Tapatalk
- HACKO
 - Модератор

 - Мнения: 13115
 - Регистриран: 24 май 2006, 21:22
 - Модел на автомобила: FORD FOCUS 04г/1.6/ X 4696 KK
SUBARU LEGACY 10г/2.0/ СВ 6292 ВК - Местоположение: ХАСКОВО
 - Status: Извън линия
 
Re: Вентилатор на радиатора на Фокус 2002г.-не работи?
Абе аз защо си спомням, че двата вентилатора работят едновременно? Болен съм и тези дни не ми се ходи на студа да проверя как е на моята, утре ако е топло, може да включа ELMa да видя как са.
Като гледам схемата, първия мотор работи винаги на макс. а втория върти на две степени. При тебе явно първия мотор прави проблем и се е наложило да бъде изключен и е оставен само втория да работи на две степени (има и вариянт на 1.6 само с един вентилатор). По някаква причина ниската степен е спряла, или резистора е изгорял или предпазителя ( на схемата се вижда и предпазител F29 30А).
П.П. този мотор има само един датчик за температура, този в главата и всичко се управлява от компютъра. Поправи си профила, че два дена си мисля че питаш за Дизел и не се включвам.
			
									
									
						Като гледам схемата, първия мотор работи винаги на макс. а втория върти на две степени. При тебе явно първия мотор прави проблем и се е наложило да бъде изключен и е оставен само втория да работи на две степени (има и вариянт на 1.6 само с един вентилатор). По някаква причина ниската степен е спряла, или резистора е изгорял или предпазителя ( на схемата се вижда и предпазител F29 30А).
П.П. този мотор има само един датчик за температура, този в главата и всичко се управлява от компютъра. Поправи си профила, че два дена си мисля че питаш за Дизел и не се включвам.
- 
				Ради-1
 - потребител

 - Мнения: 825
 - Регистриран: 20 юни 2013, 18:06
 - Модел на автомобила: Ford Focus 1.6 '00 lpg
 - Местоположение: Sofia
 - Status: Извън линия
 
Re: Вентилатор на радиатора на Фокус 2002г.-не работи?
Благодаря Наско, ти си втория който твърди, че тази перка, която не ми работи е първа степен. И явно сте прави.
Според този потребител не работят едновременно, но може да се отнася за друг код на двигателя

Да не би пък наистина дясната перка (гледано пред двигателя) работи винаги, а лявата се включва на първа степен при 103 и на втора при 108
Ще оправя профила, дизела почти не го карам вече
Sent from my Redmi Note 4 using Tapatalk
			
									
									
						Според този потребител не работят едновременно, но може да се отнася за друг код на двигателя

Да не би пък наистина дясната перка (гледано пред двигателя) работи винаги, а лявата се включва на първа степен при 103 и на втора при 108
Ще оправя профила, дизела почти не го карам вече
Sent from my Redmi Note 4 using Tapatalk
- HACKO
 - Модератор

 - Мнения: 13115
 - Регистриран: 24 май 2006, 21:22
 - Модел на автомобила: FORD FOCUS 04г/1.6/ X 4696 KK
SUBARU LEGACY 10г/2.0/ СВ 6292 ВК - Местоположение: ХАСКОВО
 - Status: Извън линия
 
Re: Вентилатор на радиатора на Фокус 2002г.-не работи?
Ха, току що установих, че Левия вентилатор и при мене не работи (при автомобилите посоката се определя от гледна точка на мястото на водача). Десния работи на ниски и високи, но не мога да кажа дали Левия работи винаги на 100% или и той се регулира. 100% съм сигурен, че двата работят едновременно, по отделно работят във ВАГ.
			
									
									
						- 
				Ради-1
 - потребител

 - Мнения: 825
 - Регистриран: 20 юни 2013, 18:06
 - Модел на автомобила: Ford Focus 1.6 '00 lpg
 - Местоположение: Sofia
 - Status: Извън линия
 
Re: Вентилатор на радиатора на Фокус 2002г.-не работи?
Значи и при теб е такова положението. А имал ли някакви проблеми с перките, за да не ти работи?
Остана само да разберем дали наистина и двете трябва да работят заедно, но на различна скорост
			
									
									
						Остана само да разберем дали наистина и двете трябва да работят заедно, но на различна скорост
- HACKO
 - Модератор

 - Мнения: 13115
 - Регистриран: 24 май 2006, 21:22
 - Модел на автомобила: FORD FOCUS 04г/1.6/ X 4696 KK
SUBARU LEGACY 10г/2.0/ СВ 6292 ВК - Местоположение: ХАСКОВО
 - Status: Извън линия
 
Re: Вентилатор на радиатора на Фокус 2002г.-не работи?
Преди време сменях целия блок с вентилатори, защото единия не работеше. Сега видях старите, ами и там проблема е бил във същия вентилатор, даже някой (преди да купя колата) го е изолирал като при тебе. Та и на двата са разбити лагерите, има голям радиален луфт и евентуално окъсява в четкодържателите и гори бушона и за това го изолират, въпреки че при мене в момента нищо не е правено и не създава проблем, даже не знам откога не работи и нямаше и да разбера. 
Хвани перката и я разклати да видиш за какво става въпрос.
			
									
									
						Хвани перката и я разклати да видиш за какво става въпрос.
- fordmaniac
 - Потребител

 - Мнения: 1639
 - Регистриран: 12 сеп 2008, 21:15
 - Модел на автомобила: Ford Escort
 - Местоположение: София
 - Status: Извън линия
 
Re: Вентилатор на радиатора на Фокус 2002г.-не работи?
За да няма от лявата страна на дясното... 
Колата има лява страна и дясна страна и това е ориентир за това кое къде е!
Схемата на инсталацията на охлаждащите вентилатори е ясна, Наско също я е разяснил, Първа перка ( лявата ) работи винаги на пълна мощност, а втората ( дясната ) при по-ниска температура е на понижена мощност , а после е на номинална, висока мощност.
При включен климатик също при по-ниска температура на антифриза са първа на макс и втора на понижена и после двете на макс.
По причина, че винаги работи на пълна мощност и обороти, на левият вентилатор ресурса е по-малък от десният. Доста такива вече смених комплекти втора употреба:
Поздрави
			
									
									
						Колата има лява страна и дясна страна и това е ориентир за това кое къде е!
Схемата на инсталацията на охлаждащите вентилатори е ясна, Наско също я е разяснил, Първа перка ( лявата ) работи винаги на пълна мощност, а втората ( дясната ) при по-ниска температура е на понижена мощност , а после е на номинална, висока мощност.
При включен климатик също при по-ниска температура на антифриза са първа на макс и втора на понижена и после двете на макс.
По причина, че винаги работи на пълна мощност и обороти, на левият вентилатор ресурса е по-малък от десният. Доста такива вече смених комплекти втора употреба:
За ремонт на перките не съм пробвал, като се износят втулките няма как да се преработи.
Поздрави
- OgiDogi
 - потребител

 - Мнения: 2048
 - Регистриран: 01 фев 2009, 00:09
 - Модел на автомобила: Orion 1.6DL '83 -> Mondeo 1.8TDi '97 с газ -> Focus 1.6 TDCI '07
 - Местоположение: Сливен
 - Status: Извън линия
 
Re: Вентилатор на радиатора на Фокус 2002г.-не работи?
Преди 2 години почти ми се подпали левият вентилатор на Мондеото, като вдигнах капака да гледам какво пуши, още тлееше в намотките. Като го свалих, перката беше крива - пластмасата се е размекнала от температурата.
От моргата взех за 25 лева от Ескорт, оказа се по-мощен и фучи яко - вероятно е бил без климатик и само с една перка. Размених само пиновете в голямата букса и сега ми тръгва десният, а левият (фучащият) е на степени.
			
									
									
						От моргата взех за 25 лева от Ескорт, оказа се по-мощен и фучи яко - вероятно е бил без климатик и само с една перка. Размених само пиновете в голямата букса и сега ми тръгва десният, а левият (фучащият) е на степени.
- 
				Ради-1
 - потребител

 - Мнения: 825
 - Регистриран: 20 юни 2013, 18:06
 - Модел на автомобила: Ford Focus 1.6 '00 lpg
 - Местоположение: Sofia
 - Status: Извън линия
 
Re: Вентилатор на радиатора на Фокус 2002г.-не работи?
Благодаря на Фордманиак, че разясни положението с вентилаторите. При това положение ще сменя моя.
Проблемът обаче е в инсталацията - майстора каза, че го е вързал на директно. Не знам какво означава това, но не ми демонстрира как работи.
Друго мнение което ми дадоха е че ги връзват така за да не горят бушон.
Сега дори да сваля буксата на вентилатора, не мога да го сваля защото кабел от инсталацията на колата е свързан с кабела на вентилатора. Прикачвам снимка, на която се вижда срязания кабел от буксата на инсталацията и как е свързан директно с вентилатора.
Възможно ли е този кабел да се извади от буксата и да се запои нов кабел за да се възстанови заводската инсталация?
							
			
									
									
						Проблемът обаче е в инсталацията - майстора каза, че го е вързал на директно. Не знам какво означава това, но не ми демонстрира как работи.
Друго мнение което ми дадоха е че ги връзват така за да не горят бушон.
Сега дори да сваля буксата на вентилатора, не мога да го сваля защото кабел от инсталацията на колата е свързан с кабела на вентилатора. Прикачвам снимка, на която се вижда срязания кабел от буксата на инсталацията и как е свързан директно с вентилатора.
Възможно ли е този кабел да се извади от буксата и да се запои нов кабел за да се възстанови заводската инсталация?
- ЯЛТА
 - Потребител

 - Мнения: 10865
 - Регистриран: 22 юли 2010, 14:52
 - Модел на автомобила: FORD MONDEO 1.8 TD, 90 hp., GHIA, ENDURA D, SW, MK-2, 2000 year.
***********************
Ford Puma, 1.6, 2002 year, 103 hp.
http://clubford.org/forum/viewtopic.php ... __________
АМБИЦИЯТА Е ПОСЛЕДНОТО УБЕЖИЩЕ НА НЕУДАЧНИКА. О.Уайлд - Местоположение: СОФИЯ, и чат пат на луната.
 - Контакти:
 - Status: Извън линия
 
Re: Вентилатор на радиатора на Фокус 2002г.-не работи?
Естествено че е възможно, и задължително е да се направи, като заводското изпълнение.
			
									
									Мисли ГЛОБАЛНО  действай  ЛОКАЛНО
						Кой е на линия
Потребители, разглеждащи този форум: Няма регистрирани потребители и 21 госта

