Изгаряне на предпазен бушон
- radosten
- потребител

- Мнения: 56
- Регистриран: 19 яну 2010, 15:27
- Модел на автомобила: ford fokus 1.8 16v
- Местоположение: София
- Status: Извън линия
Изгаряне на предпазен бушон
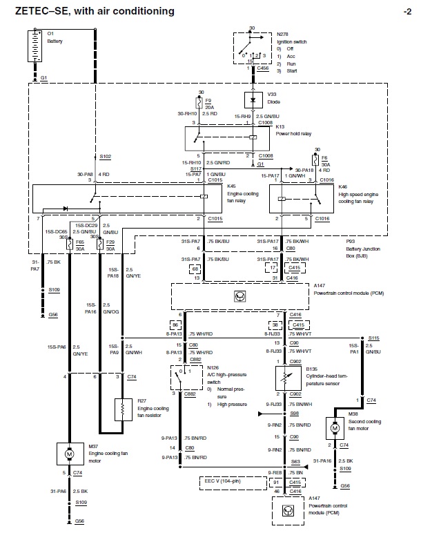
Колеги постоянно ми изгаря бушон F65 30А, отговаря за някой от вентилаторите. Колата е Форд Фокус 1.8 бензин 1999 г. Ако имате идеи за причината, ще се радвам да ги науча.
- antipower
- потребител

- Мнения: 432
- Регистриран: 11 окт 2013, 18:59
- Модел на автомобила: Focus 1.6 16v 2002г. Ghia
- Местоположение: Карлово
- Status: Извън линия
Re: Изгаряне на предпазен бушон
Колега, къде се намира този предпазител F65.
В ръководството пише, че са до 63.
За кои вентилатори отговаря?
Очевидно има стабилно късо съединение.
Може да пробваш да откачаш консуматорите, които са на тази верига и
същевременно да мериш с уред между леглото на F65 и маса.
Така евентуално може да се установи дали проблемен е консуматора, в противен
случай изолацията на проводника се е оголила и е опряла на корпус.
В ръководството пише, че са до 63.
За кои вентилатори отговаря?
Очевидно има стабилно късо съединение.
Може да пробваш да откачаш консуматорите, които са на тази верига и
същевременно да мериш с уред между леглото на F65 и маса.
Така евентуално може да се установи дали проблемен е консуматора, в противен
случай изолацията на проводника се е оголила и е опряла на корпус.
- radosten
- потребител

- Мнения: 56
- Регистриран: 19 яну 2010, 15:27
- Модел на автомобила: ford fokus 1.8 16v
- Местоположение: София
- Status: Извън линия
Re: Изгаряне на предпазен бушон
Бушонът се намира в двигателният отсек, от дясната редица и са само два един до друг от по 30 А Около тях са само релета.
-
Mondeicho
- потребител

- Мнения: 90
- Регистриран: 26 дек 2014, 21:14
- Модел на автомобила: Ford Mondeo, 2.0 Tdci, 96 kW, 2004 г.
- Status: Извън линия
Re: Изгаряне на предпазен бушон
Това, че ти гори бушон и то за вентилатор не е добра новина. Задължително трябва да намериш причината за да не ти прегрее двигателя ако не включи перката. Тогава и разходите ще са от различна величина.
Кой е на линия
Потребители, разглеждащи този форум: Няма регистрирани потребители и 45 госта
